FW Series
FW305
30cmウーハー
¥51,700(税込)/1台
小形から大きめのエンクロージャーまで幅広く対応する、30cmウーハーユニット。
特長
◎振動板
同心円状のリブを配して剛性を高めたパルプハイブリッド・カーブ&ストレートコーンに、エーテル系ウレタンフォームアップロールエッジを組み合わせました。適度な剛性と内部損失を併せ持つバランスの良い振動板は確かな低音を再生して音楽全体を支えます。
◎フレーム
重い磁気回路を支え、振動板の振幅を正確に空気に伝えるために
高剛性アルミダイキャストフレームを採用しました。
◎磁気回路
磁束の流れをスムーズにしてボイスコイル振幅時の歪みを減少するT型ポールピースを使用した磁気回路にはφ156mm大型フェライトマグネットを採用して十分な駆動力を確保。
◎ボイスコイル
高耐入力ロングボイスコイル(Xmax:4.75mm)
◎入力端子
バナナプラグに対応した大型のネジ式ターミナルポストを採用しました。
◎ラバー製ガスケット
フレーム外周全面を覆うラバー製ガスケットを装着。
振動板以外の部分からの音の放射をコントロールしてクリアで癖のない音質に貢献しています。
仕様
主な仕様
| インピーダンス | 8Ω |
|---|---|
| 最低共振周波数 | 25Hz |
| 再生周波数帯域 | fo~3.5kHz |
| 出力音圧レベル | 95dB/W(1m) |
| 入力 | 125W(Mus.) |
| mo | 55g |
| Qo | 0.31 |
| 実効振動半径(a) | 12.95cm |
| マグネット質量 | 1,410g |
| 総質量 | 5.0kg |
| バッフル開口寸法 | Φ280mm |
| 標準エンクロージャー方式 | バスレフ型 |
| 標準エンクロージャー内容積 | 75ℓ |
| 推奨クロスオーバー周波数 | 2kHz以下 |
周波数特性
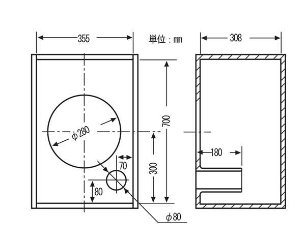
エンクロージャ寸法
外形寸法
外形寸法一覧表
| 型番 | A | B | C | D | E | F | G | バッフル取付穴 |
|---|---|---|---|---|---|---|---|---|
| FW108N | φ100 | φ128 | 72 | 8-φ 5穴 | φ115 | Φ100 |
64.5 |
φ105 |
| FW168N | φ146 | φ190 | 98 | 8-φ 6穴 | φ174 | Φ145 |
87 |
φ151 |
| FW208N | φ182 | φ230 | 108.75 | 8-φ 6穴 | φ213 | Φ156 |
94.5 |
φ185 |
| FW305 | φ278 | φ317 | 122.5 | 8-φ 7穴 | φ294 | - |
107.5 |
φ280 |
| FW405N | φ350 | φ395 | 180 | 8-φ 9.5長穴 | φ372.5 | Φ200 |
162 |
φ357 |
| FW800HS | φ748 | φ800 | 291 | 8-φ 8穴 | φ770 | - | - | φ750 |
| FW168HR | φ145 | φ190 | 97 | 8-φ 6穴 | φ174 | Φ145 |
85 |
φ151 |
| M100HR-W | φ100 | φ128 | 74.8 | 4-φ 5穴 | φ115 | Φ100 |
65.5 |
※図参照 |
| W300AⅡ | φ278 | φ317 | 150 | 8-φ 7穴 | φ294 | Φ140 |
131.5 |
φ280 |
| W400A-HR | φ350 | φ395 | 242 | 8-φ 9.5長穴 | φ372.5 | Φ194 |
224 |
φ357 |
単位:mm
※本製品は欧州RoHS指令に対応しております。